◄ ZOEKPAGINA
alle BLAUWE tekst is aanklikbaar
klik hier voor PERMALINK in browserbalk
©
▼ KLIK voor alles over het trefwoord:
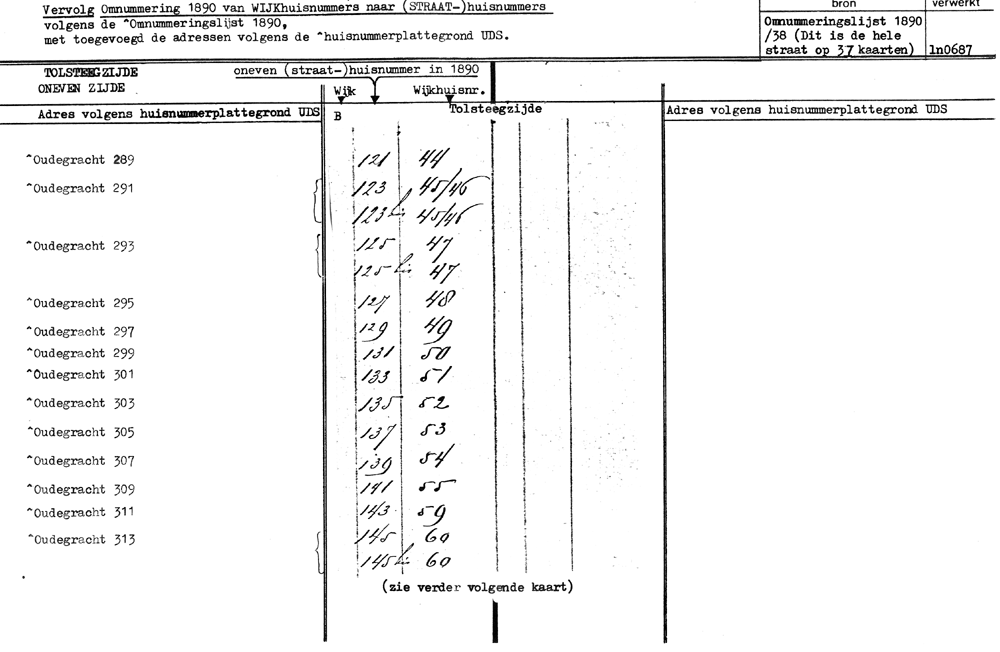
Utrecht - Oudegracht - huisnummering
pagina
22
van
88
Utrecht - Oudegracht - huisnummering
1890.0001av
'15:19 19-2-2008